Workshop: pcg-fourier
Operational Amplifiers
Lecturer: Gerardo Marx
Introduction
One of the most important stages during circuit design is simulation. Several circuit simulators are available to carry out the task, but SPICE-based simulators are the most versatile and powerful.
SPICE stands for Simulation Program with Integrated Circuit Emphasis. It is a general-purpose, open-source analog electronic circuit simulator originally developed at the University of California, Berkeley, in the 1970s. SPICE is now the foundation for almost all modern circuit simulators (like LTspice, PSpice, HSPICE, Ngspice, etc.).
The basic PCG Scheme

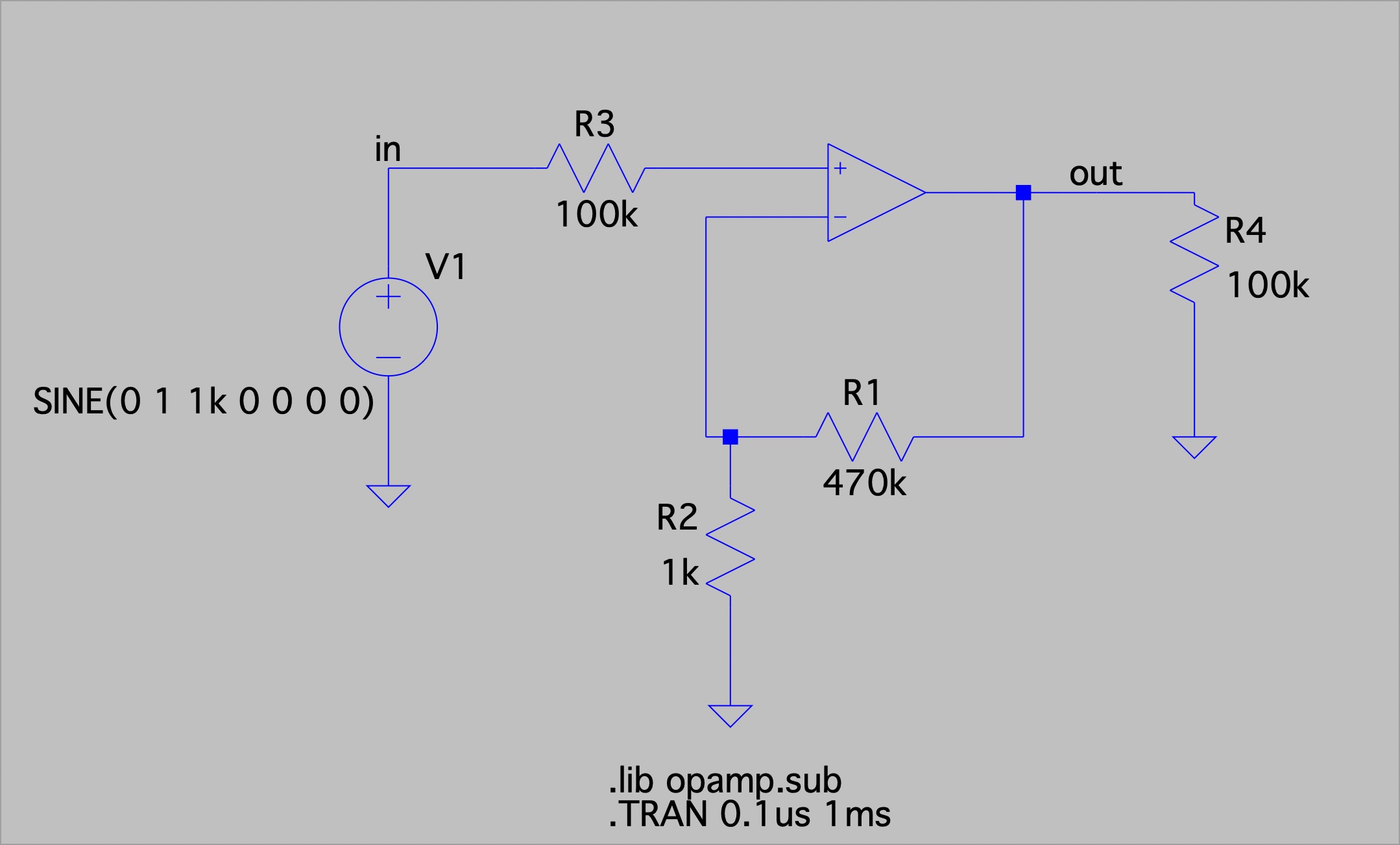
Non-inverting amplifier
Design equations
The Operational amplifier design is based on:
- No feedback
Simulation with UI

Simulation with code DC
* Non-inverting amplifier with UniversalOpamp2
Vin vp 0 1v
R1 vn out 8.7k
R2 vn 0 1k
R4 out 0 100k
.lib opamp.sub
XU1 vp vn out opamp Aol=100k GBW=10Meg
* model and plots
.tran 0.1us 5ms
.end
Version 4
SymbolType CELL
LINE Normal -32 32 32 64
LINE Normal -32 96 32 64
LINE Normal -32 32 -32 96
LINE Normal -28 48 -20 48
LINE Normal -28 80 -20 80
LINE Normal -24 84 -24 76
WINDOW 0 0 32 Left 2
SYMATTR Prefix X
SYMATTR Description Ideal single-pole operational amplifier. You must .lib opamp.sub
SYMATTR Value opamp
SYMATTR SpiceLine Aol=100K
SYMATTR SpiceLine2 GBW=10Meg
PIN -32 48 NONE 0
PINATTR PinName invin
PINATTR SpiceOrder 1
PIN -32 80 NONE 0
PINATTR PinName noninvin
PINATTR SpiceOrder 2
PIN 32 64 NONE 0
PINATTR PinName out
PINATTR SpiceOrder 3
Opamp With AC
* Non-inverting amplifier with UniversalOpamp2
Vin vp 0 SINE(0 1 1k)
R1 vn out 8.7k ; feedback
R2 vn 0 1k ;to ground
R4 out 0 100k ;load resistance
* Power supply
VCC vcc 0 +15
VEE vee 0 -15
.include "LTC.lib"
XU1 vp vn VCC VEE out op07
* model and plots
.tran 0 5ms 0.1u
.end
OP07
Version 4
SymbolType CELL
LINE Normal -32 32 32 64
LINE Normal -32 96 32 64
LINE Normal -32 32 -32 96
LINE Normal -28 48 -20 48
LINE Normal -28 80 -20 80
LINE Normal -24 84 -24 76
LINE Normal 0 32 0 48
LINE Normal 0 96 0 80
LINE Normal 4 44 12 44
LINE Normal 8 40 8 48
LINE Normal 4 84 12 84
WINDOW 0 16 32 Left 2
WINDOW 3 16 96 Left 2
SYMATTR Value OP07
SYMATTR Prefix X
SYMATTR SpiceModel LTC.lib
SYMATTR Value2 LT1001
SYMATTR Description Precision Operational Amplifier
PIN -32 80 NONE 0
PINATTR PinName In+
PINATTR SpiceOrder 1
PIN -32 48 NONE 0
PINATTR PinName In-
PINATTR SpiceOrder 2
PIN 0 32 NONE 0
PINATTR PinName V+
PINATTR SpiceOrder 3
PIN 0 96 NONE 0
PINATTR PinName V-
PINATTR SpiceOrder 4
PIN 32 64 NONE 0
PINATTR PinName OUT
PINATTR SpiceOrder 5